广州兰瑟电子科技有限公司【一级★代理商】美国ZEMIC BM14A-C3称重传感器BM14A-C3(LOADCELL)厂家直销折扣价格,专业提供美国ZEMIC称重传感器BM14A-C3的最新选型和产品资讯。
名称:BM14A-C3传感器,美国ZEMIC BM14A-C3称重传感器
品牌:美国ZEMIC称重传感器
属性:不锈钢ZEMIC BM14A-C3梁式称重传感器
想了解更多美国zemic的信息请点击:ZEMIC称重传感器了解更多信息
美国ZEMIC BM14A-C3称重传感器主要特性:
▲不锈钢材料,四柱式结构,焊接密封,压向承载。
▲防护等级IP68
▲防雷击可达一万伏,适用于试验机、平台秤、料斗秤及各类电子称重设备。
推荐选择型号:
|
xxt
|
C3
|
BM14A-C3-xxt-xB-SC
|
|
xxklb
|
C3
|
BM14A-C3-xxK-9YB
|
|
10t-100t通过德国PTB C3级测试
|
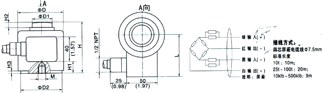
美国ZEMIC BM14A-C3称重传感器规格尺寸:

|
量程t(Klb)
|
D
|
D1
|
D2
|
H
|
H1
|
H2
|
H3
|
L
|
M
|
|
10t,25t
|
73
(2.9)
|
32
(1.3)
|
58
(2.3)
|
82.5
(3.3)
|
13
(0.5)
|
8
(0.31)
|
2
(0.10)
|
64
(2.52)
|
M12×1.75
|
|
40t,60t
|
105
(4.1)
|
59
(2.3)
|
83
(3.3)
|
127.0
(5.0)
|
33
(1.3)
|
9
(0.4)
|
12
(0.5)
|
87
(3.4)
|
M20×2.5
|
|
100t
|
152
(6.0)
|
80
(3.1)
|
124
(4.9)
|
184
(7.2)
|
70
(2.8)
|
23
(0.9)
|
22
(0.9)
|
109
(4.3)
|
M20×2.5
|
|
10k,25k,50k
|
73
(2.9)
|
32
(1.3)
|
58
(2.3)
|
82.5
(3.3)
|
12.5
(0.5)
|
8
(0.31)
|
2
(0.10)
|
64
(2.52)
|
1/2-20UNF
|
|
100k
|
105
(4.1)
|
59
(2.3)
|
83
(3.3)
|
127.0
(5.0)
|
33
(1.3)
|
9
(0.4)
|
12
(0.5)
|
87
(3.4)
|
3/4-16UNF
|
|
200k,300k
|
152
(6.0)
|
80
(3.1)
|
124
(4.9)
|
184
(7.2)
|
70
(2.8)
|
23
(0.9)
|
22
(0.9)
|
109
(4.3)
|
3/4-16UNF
|
|
500k
|
163
(6.4)
|
94
(3.7)
|
136
(5.4)
|
229
(9)
|
91
(3.60)
|
11
(0.4)
|
25
(1.0)
|
123
(4.84)
|
3/4-16UNF
|
美国ZEMIC BM14A-C3称重传感器技术参数:
|
额定载荷
|
t
|
5/10/25/40/60/100
|
|
klb
|
10/25/50/100/200/300/500
|
|
精度
|
C3
|
|
认证
|
|
OIML R60 C3
|
|
最大检定分度数
|
n max
|
3000
|
|
最小检定分度值
|
v min
|
Emax/10000
|
|
综合误差
|
(%FS)
|
≤±0.020
|
|
蠕变
|
(%FS/30min)
|
≤±0.016
|
|
温度对输出灵敏度的影响
|
(%FS/10℃)
|
≤±0.011
|
|
温度对零点输出的影响
|
(%FS/10℃)
|
≤±0.015
|
|
输出灵敏度
|
(mv/v)
|
2.0±0.002
|
|
输入阻抗
|
(Ω)
|
450±4.5
|
|
输出阻抗
|
(Ω)
|
480±4.8
|
|
绝缘阻抗
|
(MΩ)
|
≥5000(50VDC)
|
|
零点输出
|
(%FS)
|
≤±1.0
|
|
温度补偿范围
|
(℃)
|
-10~+40
|
|
允许使用温度范围
|
(℃)
|
-35~+70
|
|
推荐激励电压
|
(V)
|
5~12(DC)
|
|
最大激励电压
|
(V)
|
18(DC)
|
|
安全过载范围
|
(%FS)
|
150
|
|
极限过载范围
|
(%FS)
|
300
|
|
ATEX等级(可选)
|
|
II 1G Ex ia II 1C T4
|
II 1D Ex iaD20 T73℃
|
【广州兰瑟电子】主要代理经销传感器类型:称重传感器、压力传感器、扭矩传感器、荷元以及变送器、称重模块、放大器、接线盒、电子秤、仪表及相关配套附件等。我司与美国ZEMIC公司合作多年,提供完善的售前、售中、售后服务,保证您买得放心,用得安心。
美国ZEMIC BM14A-C3称重传感器所有型号:
BM14A-C3-5t、BM14A-C3-10t、BM14A-C3-25t、BM14A-C3-40t、BM14A-C3-60t、BM14A-C3-100t、
不同规格型号,价格也不同,型号编辑方式是由材质,形状,精度,量程,线长,线制,电流等要求组成,详情可咨询【广州兰瑟电子】专业工程师杨帆为您选型。
十余年来,广州兰瑟电子持续为数千家各行业企业提供线上线下一体化技术支持,服务覆盖智能制造、物流仓储、工程机械、食品医药、冶金化工及科研检测等领域,用心解决每一个传感器应用难题。
来自智能制造领域的客户评价道:“兰瑟电子技术响应迅速,多年合作稳定可靠,是我们放心的传感器合作伙伴!”物流仓储行业客户也反馈:“从选型、安装到售后全程支持,真正帮我们解决了称重传感器的各类痛点!”
大大称赞广州兰瑟电子技术团队专业高效,传感器问题总能一次性解决,省心又靠谱
|