类型搜索称重传感器  重量变送器  压力传感器  力传感器  扭矩传感器   位移传感器  加速度传感器
    产品列表
   美国VISHAY称重传感器,仪表
   美国称重传感器,仪表
   韩国称重传感器,仪表
   国内称重传感器,仪表
   意大利称重传感器,仪表
   德国称重传感器,仪表
   瑞士称重传感器,仪表
   中国台湾称重传感器,仪表
   英国称重传感器,仪表
   法国称重传感器,仪表
   日本称重传感器,仪表
   荷兰称重传感器,仪表
   西班牙称重传感器,仪表
   新西兰称重传感器,仪表
   韩国Daehan液位传感器,仪表
   奥地利温湿度传感器
   压力传感器汇总
   位移传感器汇总
   扭矩传感器汇总
   力传感器汇总
   加速度传感器汇总
   气体传感器汇总
   重量变送器,接线盒
    联系我们
 联系人: 杨经理
 电 话: 15322063181
 手 机: 15322063181
 传 真: 020-39133900
 邮 箱: lanse-china@foxmail.com
 地 址: 广州市南沙区东涌镇吉祥东路6号768
 
当前位置:称重传感器首页 > 力传感器汇总 > 美国Dytran力传感器 > 美国Dytran 1060V3力传感器,1060V3力传感器

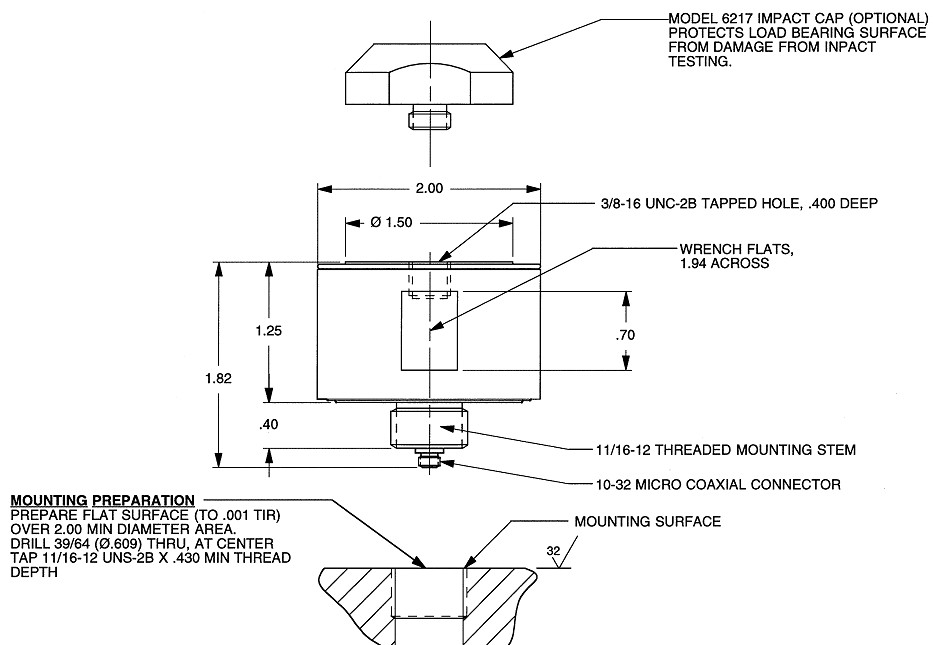
美国Dytran 1060V3力传感器,1060V3力传感器
发布人:称重传感器  发布时间:2013/8/12 11:52:38  点击量:4405


美国Dytran 1060V3力传感器分类

美国Dytran力传感器是将各种力学量转换为电信号的器件,力学量可分为几何学量、运动学量及力学量三部分,其中几何学量指的是位移、形变、尺寸等,运动学量是指几何学量的时间函数,如速度、加速度等。力学量包括质量、力、力矩、压力、应力等。

美国Dytran 1060V3力传感器特点

压电式力传感器

灵敏度 1 mV/Lb

压力量程 5000 Lbs

拉力量程 1000 Lbs

重量 460  grams

冲击 5000 g

温度 -73~121  ℃

安装方式 11/16-12螺钉

如果您对1060V3传感器的产品价格,图片,货期,参数,选型等详细信息有需要,欢迎拨打【广州兰瑟电子】全国统一服务热线:020-22157170

美国Dytran 1060V3力传感器尺寸


1060V3力传感器其它热销型号

美国Dytran 1051C力传感器,1051C力传感器

美国Dytran 1060C力传感器,1060C力传感器

美国Dytran 1061C力传感器,1061C力传感器

美国Dytran 1210C7力传感器,1210C7力传感器













上一篇:美国Dytran 1061V3力传感器,1061V3力传感器
下一篇:没有了

 友情链接: .广州兰瑟电子阿里巴巴站  .广州兰瑟电子爱采购店铺  .钢尺水位计  .友进芯城  .电子元器件网上商城  .贴片电阻  .无缝钢管 

版权所有 © 广州兰瑟电子科技有限公司    备案号:粤ICP备2024295614号-1  
TEL:15322063181   FAX:020-39133900    E-MAIL:lanse-china@foxmail.com    ADD:广州市南沙区东涌镇吉祥东路6号768